优势特点:BRH35BL为重载系列导轨,组合高度为55mm,安装孔尺寸为50*72,定位精度高:使用直线导轨作为线性导引时,由于直线导轨的摩擦方式为滚动摩擦,不仅摩擦系数降低至滑动导引的1/50,动摩擦力与静摩擦力的差距亦变得很小。

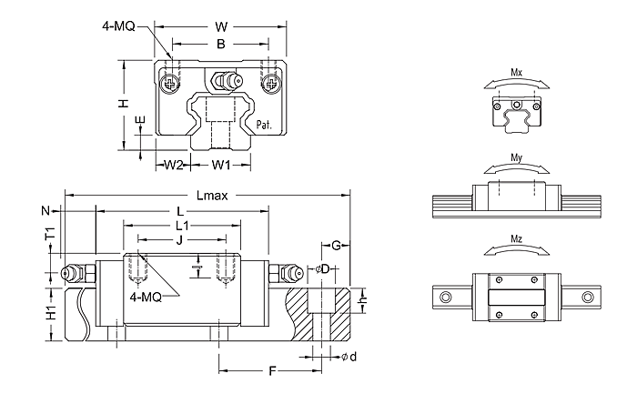
| 型号 | 组合尺寸(mm) | 滑块尺寸(mm) | 导轨尺寸(mm) | ||||||||||||
| H | W | W2 | E | L | B×J | MQ×1 | Li | 油孔 | T1 | N | W1 | H1 | F | d×D×h | |
| BRH35BL | 55 | 70 | 18 | 9.5 | 134.8 | 50×72 | M8×13 | 105.8 | M6×1 | 15 | 15.6 | 34 | 29 | 80 | 9×14×12 |
| 型号 | 基本负荷(kgf) | 容许静力矩(kgf*m) | 参考数据(mm) | 重量 | |||||||
| 静额定负荷 | 动额定负荷 | Mx | My | Mz | Lmax | G | 滑块(kg) | 导轨(kg/m) | |||
| BRH35BL | 4800 | 8300 | 141.1 | 109.8 | 109.8 | 4000 | 20 | 1.9 | 7.2 | ||
台湾ABBA直线导轨BRH35BL常见的特性
1、ABBA直线导轨BRH35BL定位精度高:使用直线导轨作为线性导引时,由于直线导轨的摩擦方式为滚动摩擦,不仅摩擦系数降低至滑动导引的1/50,动摩擦力与静摩擦力的差距亦变得很小。因此当床台运行时,不会有打滑的现象发生,可达到μm级的定位精度。
2、ABBA直线导轨BRH35BL磨耗少能长时间维持精度:传统的滑动导引,无可避免的会因油腻逆流作用造成平台运动精度不良,且因运动时润滑不充分,导致运行轨道接触面的磨损,严重影响精度。而滚动导引的磨耗非常小,故机台能长时间维持精度。
3、ABBA直线导轨BRH35BL适用高速运动且大幅降低机台所需驱动马力:由于直线导轨移动时摩擦力非常小,只需较小动力便能让床台运行,尤其是在床台的工作方式为经常性往返运行时,更能明显降低机台电力损耗量。且因其摩擦产生的热较小,可适用于高速运行。
ABBA直线导轨BRH35BL广泛应用在:各种车床、磨床、机床、切割机、机械加工中心、自动化装置、运输设备、量测仪器、机密测试仪、半导体设备、木工机械、食品机械、医疗设备、包装设备和汽车制造设备等。
上一篇:BRH35B
下一篇:BRH45B

















